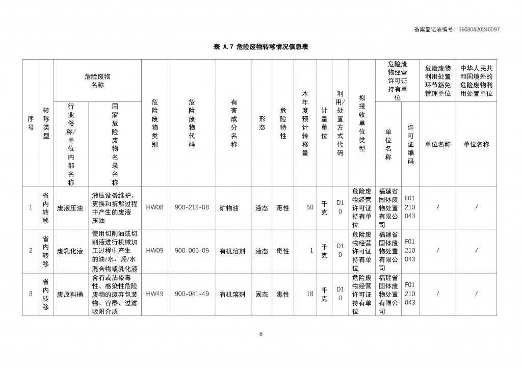
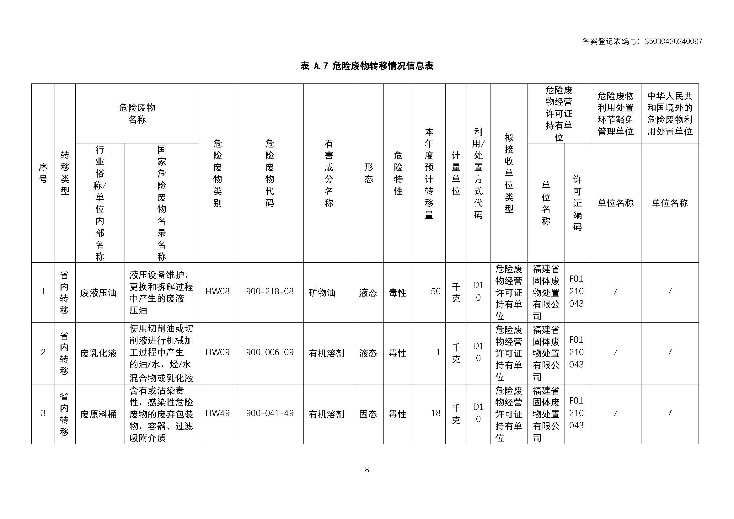
海山10T、14T道路污染清除車(R3)
海山25T挖掘抽吸車(R3)
——————
海山在應急領域的卓越表現,源自強大的企業實力:
? 國家高新技術企業
? 福建省專精特新中小企業
? 福建省非破壞性挖掘技術研究院
? 福建省引才“百人計劃”創業創新團隊
? 福建省產業領軍團隊
? ?… …
HI-SHAN產品應急救援應用紀實:
01
? 2015年8.12天津港大爆炸災后恢復:海山非破壞挖掘抽吸車精準清除危化品,封閉式回收,確保無殘留、無二次污染。

02
??2016年福州尼博特洪災救援:海山多功能挖掘抽吸車靈活應對窄巷、院墻、溝渠等工況,可跨溝越障,高效清理災后現場,同時兼顧路面清潔。
03
??2021年鄭州水災:道路污染清除車馳援河南參與災后重建工作,展現非凡實力。
04
??2022年荊州應急排澇演練:海山應急排水抽吸車排水速度1500m3/h,用于城市積澇導致的隧道、地鐵、地庫淹水情況的緊急排水,以及鄉鎮河道汛前排水作業等。
05
??2023年“杜蘇芮”臺風災后救援、2024年寶雞洪水災后救援:海山臨時組織受災城市周邊車輛及工作人員,組建災后應急服務隊馳援災區,助力受災區域道路復通工作。
北京:
莆田:
寶雞:
??? 展望未來,海山將繼續秉持“創新、責任、分享”的發展理念,不斷精進產品性能與技術,為國家應急部門提供更加全面、高效、可靠的應急裝備及解決方案,鑄就應急防線的銅墻鐵壁!
]]>
]]>
]]>
]]>
6月3日,海山機械憑借在道路深度保潔技術創新領域的卓越表現,再次獲得三項國家發明專利授權,不僅彰顯了公司的創新實力,更為公司持續發展注入了強大動力!☆
此次授權的三項發明專利分別是:
☆一種道路清掃裝置☆
☆一種環衛車噴灑裝置及環衛車☆
☆一種道路污染清除車的清潔裝置及道路污染清除車☆
作為國內環衛環保、市政應急細分領域的領軍企業,海山始終以技術創新為核心驅動力,構建了完善的知識產權保護體系。截止目前,公司累計獲得授權專利160余件,其中80%已實現產業化應用,技術成果廣泛應用于市政施工、道路深度清潔與養護、無害化除冰、應急救援等領域,助力行業向智能化、綠色化轉型。
這三項發明專利的獲得,是對研發團隊辛勤付出的肯定,更是對公司技術創新能力的高度認可。未來,海山機械將繼續堅持創新驅動發展戰略,加強知識產權保護力度,不斷提升公司的自主創新能力,為實現企業高質量發展、推動行業進步提供強有力的科技支撐!
]]>
??????? 冬季的寒風漸起,城市的面貌在皚皚白雪的映襯下顯得尤為清新,同時也給環衛工作帶來了挑戰。海山自2017年推出了25噸除冰型道路污染清除車,無畏瓶頸,技術不斷迭代,無畏寒冬,行駛在一個個北風凜冽的城市里,為環衛工作注入了新的動力,更為城市的冬季清潔工作開辟了新的高效路徑。
相關信息請詳看福建海山機械公眾號文章:“無畏寒冬:全天候!除冰型!HI-SHAN25噸道路污染清除車”
]]>




]]>從專項產品開發到多領域功能定制化,海山,始終站在客戶需求的前沿,未來,將繼續秉持創新、責任、分享的理念,繼續為全球機場及更多領域的安全與發展貢獻智慧與力量。
]]>
]]>
]]>